TRITON Vertikálna lišta 6U, cena za 1ks
Popis a parametre
TRITON Vertikálna lišta 6U, cena za 1ks
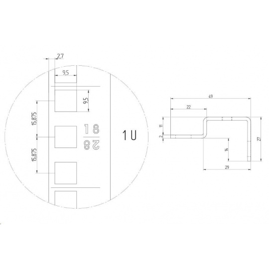
Vertikálna lišta 6U.
jednotky sú označené laserovou značkou.
..
ParametrePridať do porovnania
Typ príslušenstva
Podstavce, lišty
TRITON Vertikálna lišta 6U, cena za 1ks
Naposledy navštívené





